● Standard: IEC/EN 61643-11
● Surge Rating: Imax=40kA (8/20 µs)
● IEC/EN Category: Type 2/Class II
● Max. continuous operating voltage: 275, 320, 385, 440V
● Housing: Pluggable Design
EKU4-T2-40 Type 2 Imax 40kA modular surge protection devices offer protection for equipment connected to low voltage AC power supplies, guarding against transient overvoltage caused by local lightning strikes or the switching of electrical inductive or capacitive loads.
The N-PE module and the L-N module make a mechanical distinction provided to prevent incorrect combinations of plug-in SPD modules and sockets comply with the relevant provisions of 7.3.1 in the IEC61643-11 standard. For example, the cartridge of N-PE mode (consists of gas discharge tube) can be plugged in L-N mode (consists of varistor), this can lead to dangerous situations like outbreak of fire.
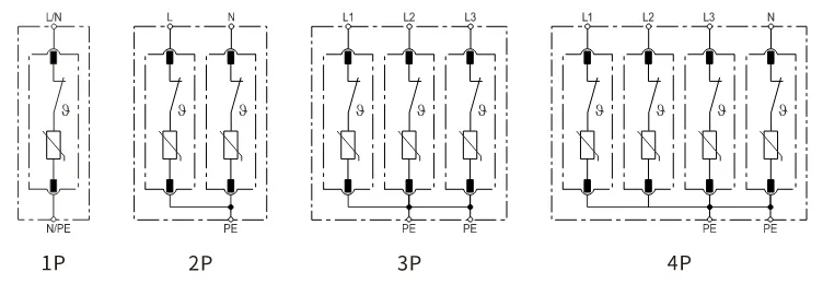
| No.of poles | 1P | 2P | 3P | 4P | 1P+NPE | 3P+NPE |
| Network systems | TN-S, TN-C, TT(only L-N) | TN-S | TN-C | TN-S | TT, TN-S | |
| Mode of protection | L-PE, N-PE(onlyTN-S), L-PEN, L-N | L-PE, N-PE | L-PEN | L-PE, N-PE | L-N, N-PE | |
| Protective elements | High Energy MOV | High Energy MOV and GDT | ||||
| Maximum continuous operating voltage (L-N) | Uc | 275V | 320V | 385V | 440V |
| Maximum continuous operating voltage (N-PE) | Uc | 255V | |||
| Norminal discharge current (8/20μs) (L-N)/(N-PE) | In | 20kA | |||
| Maximum discharge current (8/20μs) (L-N)/(N-PE) | Imax | 40kA | |||
| Voltage protection level (L-N)/(N-PE) | Up | 1.3kV/1.5kV | 1.5kV/1.5kV | 1.8kV/1.5kV | 2.0kV/1.5kV |
| Voltage protection level 5kA | Up | 1.0kV | 1.2kV | 1.4kV | 1.6kV |
| Response time (L-N)/(N-PE) | tA | ≤25ns/≤100ns | |||
| Operating temperature range | Tu | -40℃ to +80℃ | |||
| Max. Back-up fuse | 125 A gL/gG | ||||
| Operating state/fault indication | Green/Red(L-N),Yellow(N-PE) | ||||
| Cross-section area (Min.)/(Max.) | 4mm²/35mm² | ||||
| Mounting | 35 mm DIN Rail, EN 60715 | ||||
| Enclosure material | Thermal Plastic UL94-V0 | ||||
| Degree of protection | IP20 (built-in) | ||||



| No. of Poles | Max. Continuous Operating AC Voltage | |||
| 275V | 320V | 385V | 440V | |
| 1P | EKU5-T2-40-1P275 | EKU5-T2-40-1P320 | EKU5-T2-40-1P385 | EKU5-T2-40-1P440 |
| 2P | EKU5-T2-40-2P275 | EKU5-T2-40-2P320 | EKU5-T2-40-2P385 | EKU5-T2-40-2P440 |
| 3P | EKU5-T2-40-3P275 | EKU5-T2-40-3P320 | EKU5-T2-40-3P385 | EKU5-T2-40-3P440 |
| 4P | EKU5-T2-40-4P275 | EKU5-T2-40-4P320 | EKU5-T2-40-4P385 | EKU5-T2-40-4P440 |
| 1P+NPE | EKU5-T2-40-1PN275 | EKU5-T2-40-1PN320 | EKU5-T2-40-1PN385 | EKU5-T2-40-1PN440 |
| 3P+NPE | EKU5-T2-40-3PN275 | EKU5-T2-40-3PN320 | EKU5-T2-40-3PN385 | EKU5-T2-40-3PN440 |
| With Remote Signaling | ||||
| 1P | EKU5-T2-40-1P275S | EKU5-T2-40-1P320S | EKU5-T2-40-1P385S | EKU5-T2-40-1P440S |
| 2P | EKU5-T2-40-2P275S | EKU5-T2-40-2P320S | EKU5-T2-40-2P385S | EKU5-T2-40-2P440S |
| 3P | EKU5-T2-40-3P275S | EKU5-T2-40-3P320S | EKU5-T2-40-3P385S | EKU5-T2-40-3P440S |
| 4P | EKU5-T2-40-4P275S | EKU5-T2-40-4P320S | EKU5-T2-40-4P385S | EKU5-T2-40-4P440S |
| 1P+NPE | EKU5-T2-40-1PN275S | EKU5-T2-40-1PN320S | EKU5-T2-40-1PN385S | EKU5-T2-40-1PN440S |
| 3P+NPE | EKU5-T2-40-3PN275S | EKU5-T2-40-3PN320S | EKU5-T2-40-3PN385S | EKU5-T2-40-3PN440S |
